

行业应用
冶金领域
必发7790电子集团线上平台小红书轴承电话销售:找到适合您需求的最佳产品欢迎您来到我们的轴承电话销售中心!我们是一家经验丰富的公司,致力于为客户提供高质量的轴承产品,并确保您能找到满足您需求的最佳产品
必发集团电游百度百聘《轴承精度比较:探讨不同级别轴承精度对设备性能的影响》在工业设备中,轴承作为负责支撑和减少摩擦的重要部件,在设备性能中起着至关重要的作用
必发集团电游百度大脑探索苏州22314轴承:性能优势、适用领域及选购攻略详解苏州22314轴承作为一种重要的机械零部件,在各个领域都有着广泛的应用
必发集团welcome欢迎光临ARGA公司标题:轴承更换指南:如何正确替换Supra轴承在汽车维修保养中,轴承的更换是一个常见的任务
welcometo必发集团最新网站京东《电梯锥形轴承:高效稳定的电梯运行关键部件解析》是一篇关于电梯运行关键部件的重要文章
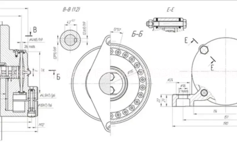
苛刻的工作环境需要好的轴承,冶金行业中轧机、连铸机或转炉等设备那样苛刻的工作环境,要求轴承要抵御高温、重载、水和灰尘的恶劣影响。 剖分圆柱、 调心滚子轴承和标准的扇形段轴承能够为连铸的应用提供优良的解...